M PUMPS

Serie CT MAG-M

Magnetdriven turbinpump

Turbinpumpar av serien CT MAG-M är mycket robusta och klara mycket lågt NPSH värde. Pumpen har helt slutet pumphus med magnetdrivet pumphjul. Eftersom de saknar genomgående axel med tätning är de helt läckagefria. Pumparna är därför speciellt lämpliga för vanligen besvärliga media som korrosiva, miljöfarliga och värdefulla vätskor som absolut inte får läcka ut eller svårtätade vätskor med låg ytspänning. Dessa egenskaper gör dem mycket miljövänliga och säkra eftersom de inte ger något läckage till omgivningen. Det går att få pumpen i ATEX utförande.
  • Flöden max. 500 l/min
  • Tryck max. 450 m
  • Mycket lågt NPSH
  • Finns även i ATEX utförande

Vald variant

Här kan du välja fler varianter pumpar | Telfa AB

Vald variant

Teknisk data

Flöde max 91 l/min
Flöde max 5,5 m³/h
Differenstryck 90 mvp
Systemtryck max 50 bar
Anslutning sugsida DN40 PN40
Anslutning trycksida DN25 PN40
Material Axel SS 316
Material Axellager SiC (Kiselkarbid)
Material Lager Antimoniskt kol
Material Packning PTFE
Material Pumphus SS 316
Motor IEC 90 B5
Viskositet max 200 cSt
Temperaturområde till 120 °C

Pumpvärden

CT MAG-M 1450rpm Flödesdiagram

CT MAG-M 1450 rpm
Utförligare kurvor finns nedan och inkluderar även effektförbrukning och NPSH.

CT MAG-M 2900rpm Flödesdiagram

CT MAG-M 2900 rpm
Utförligare kurvor finns nedan och inkluderar även effektförbrukning och NPSH.

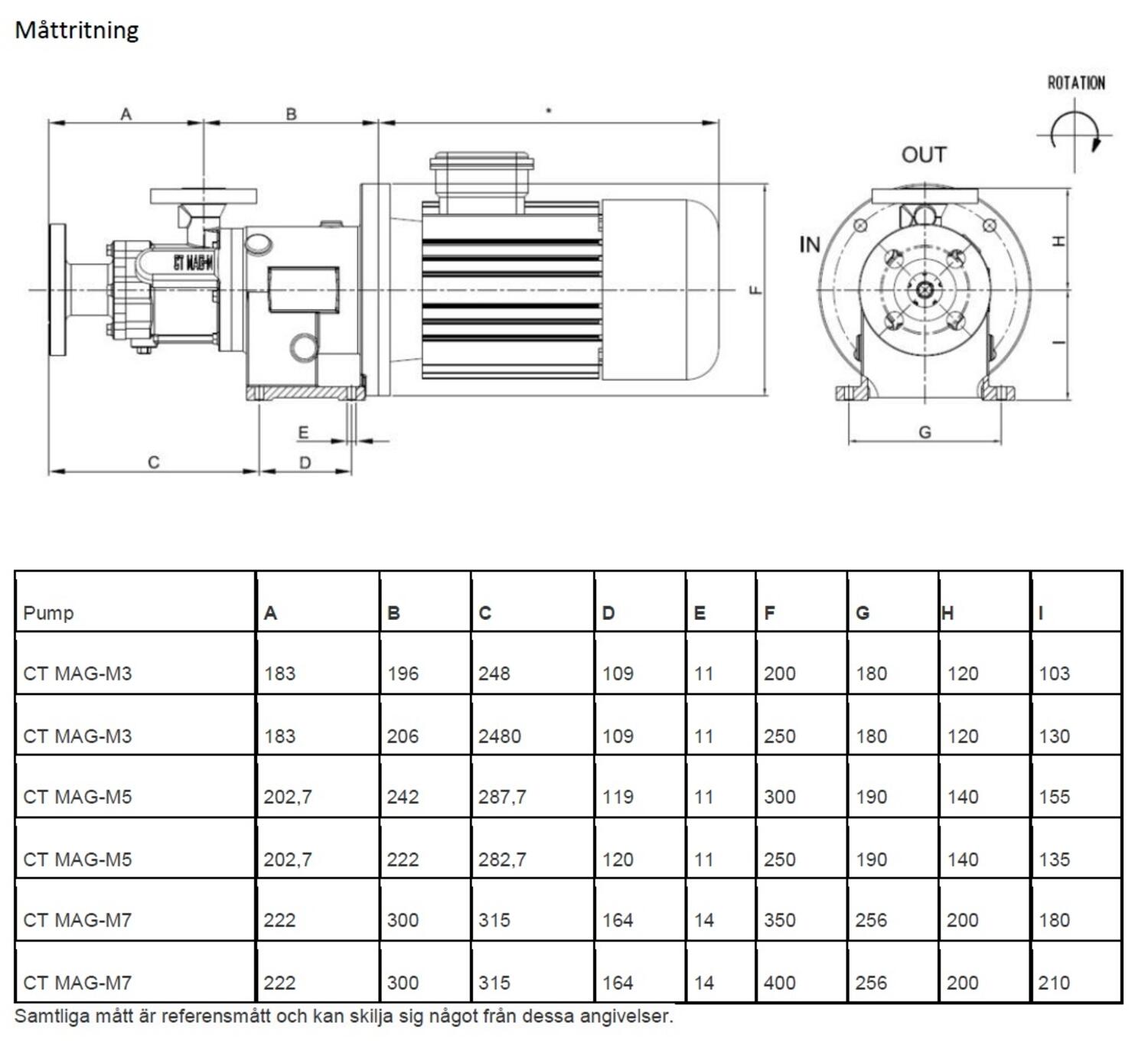
Ritningar och teknisk information

Produktinformation

M pumps serie CT MAG-M är en serie mycket robusta turbinpumpar speciellt lämpade för installationer med lågt NPSHa och svåra pumpmedier som också kan vara explosionsfarliga.

 

Turbinpumpar av serien CT MAG-M har helt slutet pumphus med magnetdrivet pumphjul. Eftersom de saknar genomgående axel med tätning är de helt läckagefria. Pumparna är därför speciellt lämpliga för vanligen besvärliga media som korrosiva, miljöfarliga och värdefulla vätskor som absolut inte får läcka ut eller svårtätade vätskor med låg ytspänning. Dessa egenskaper gör dem mycket miljövänliga och säkra eftersom de inte ger något läckage till omgivningen. Magnetdriften innebär också att pumparna är mycket driftsäkra, vilket ger dem låga driftskostnader.De finns i många olika materialkombinationer och går även att få i ATEX-utförande för explosionsfarlig miljö.

 

M-pumps_CT_MAG-M_sez.jpg

 

Exempel på användningsområde

Aggressiva medier, syror, lut, lösningsmedel, bensin, gas i vätskeform, hetolja, freon m.m. Medier som är giftiga, radioaktiva, extremt rena, sterila, värdefulla eller vätskor med låg ytspänning.

 

Så här fungerar magnetdrift

En drivmagnet är monterad på motoraxeln och överför kraften till en magnet monterad på pumphjulet. Pumphuset är därmed helt slutet utan några genomgående roterande axlar som behöver tätas.

 

Magnetdrift_MT_6007

 

Så här fungerar hybriddrift

Magnetkannan som skiljer drivmagneten och innermagneten på en magnetkopplad pump i metall orsakar förluster. Hur stora förlusterna blir beror på materialval och tjocklek på magnetkannan, samt varvtalet på motorn. Tjockare material och högre varvtal ger även högre förluster. Förutom att förlusterna kostar pengar i ökad effektförbrukning bildas det värme som övergår till den pumpade vätskan. Denna värme kan vara ett problem vid pumpning av vätskor nära kokpunkten.

 

M Pumps patenterade lösning för att få ner förlusterna är en magnetkanna tillverkad i hybridteknik. Närmast vätskan används en traditionell kanna i metall, men materialtjockleken har reducerats till ett minimum. För att behålla pumpens prestanda har denna förstärkts utvändigt med en tunn kanna av kolfiber. Hybridösningen innebär att den kemiska resistensen kvarstår samtidigt som magnetförlusterna reduceras till ett minimum. Läs mer om hybriddrift här.

 

Magnetkanna.jpg

 

 

 

Teknisk information

Pumphus

SS 316, Hastelloy® C276, Incoloy® 825, Duplex (ytterligare material på förfrågan)

Lager

Siliconkarbid, Tungstenkarbid, Carbon, PTFEC, PTFEG, PEEK

Axel

SS 316, Hastelloy® C276, Incoloy® 825, Duplex (ytterligare material på förfrågan)

Lockpackning

Fiberpackning, PTFE, Graphoil, Gylon® (ytterligare material på förfrågan)

Flöde

Max. 500 l/min

Temperatur*

- 120 till 350 °C (0 till 120 °C standard)

Viskositet

Max. 200 cSt

Systemtryck

Max. 50 bar (högre tryck på förfrågan)

Anslutningar

DIN (PN40, PN64, PN100), ANSI (300, 600) (ytterligare alternativ på förfrågan)

Atex**

EEx II 2G cbk IIC T5

* För applikationer under 0 °C eller över 120 °C kontakta oss.

** För applikationer i explosionsfarlig miljö kontakta oss.

Tillbehör/Reservdelar

Relaterade artiklar:

Serie HX
Pumpskola

Serie HX – Hygieniska excenterskruvpumpar med inmatningstråg

Nova Rotors serie HX är en avancerad serie excenterskruvpumpar med integrerat inmatningstråg och matarskruv, designade för att hantera de allra tuffaste medieutmaningarna i hygieniskt kritiska processer. Dessa pumpar kombinerar robust konstruktion med förstklassig hygienisk design och ger en pålitlig lösning för industriella applikationer där traditionella pumpar inte räcker till.

Telfa ställer ut på Underhållsmässan 26 monter B07:11
Företagsnytt

Vi deltar på Underhållsmässan 2026 – Nordens största mötesplats för industriellt underhåll

Industrin står inför stora utmaningar: ökad digitalisering, krav på energieffektivitet och behovet av att minimera driftstopp. Underhållsmässan är platsen där dessa frågor får svar. Här presenteras den senaste tekniken inom förebyggande underhåll, smarta sensorer, AI-lösningar och energieffektiva komponenter – allt med målet att skapa robusta och hållbara produktionskedjor.

Träffa oss på euro expo industrimässor 2026!
Företagsnytt

Euro Expo 2026

Under 2026 deltar vi på flera av Euro Expos industrimässor – en av Sveriges mest uppskattade mötesplatser för industriell utveckling och innovation. Här samlas leverantörer, experter och beslutsfattare för att utbyta kunskap, visa ny teknik och diskutera framtidens lösningar. För dig som arbetar med produktion, underhåll eller utveckling är mässan ett perfekt tillfälle att upptäcka nya idéer och knyta värdefulla kontakter. Vi kommer att finnas på plats för att prata om smarta pumpval, energieffektivitet och hur rätt teknik kan göra stor skillnad i din verksamhet. Vi ser fram emot att träffa dig, dela erfarenheter och inspirera till nya lösningar!

Listing image av Telfas artikel om energieffektivitet
Pumpskola

Vad kostar ineffektivitet? Så sparar du energi med rätt pump

Att välja pump handlar ofta om inköpspris. Men den verkliga kostnaden ligger i driften – framför allt energiförbrukningen. En ineffektiv pump kan bli en dold energislukare som kostar mer än du tror. Genom smart pumpval kan du sänka dina energikostnader, minska produktförluster och samtidigt bidra till en mer hållbar produktion.

Pumpskola

Certifikat och Hygieniska standarder inom Food & Pharma

Inom livsmedels- och läkemedelsindustrin ställs höga krav på hygien, säkerhet och spårbarhet. För att säkerställa att processutrustning uppfyller dessa krav är internationella certifikat och standarder avgörande. När du väljer hygieniska pumpar från oss kan vi leverera komplett dokumentation inklusive relevanta certifikat, vilket ger trygghet i hela kedjan – från produktion till färdig produkt.

Nya Ds4F från Verderflex – En robust och tillförlitlig lösning för krävande branscher.
Produktnytt

Nya Ds4F från Verderflex – En robust och tillförlitlig lösning för krävande branscher.

Nya Verderflex Ds4F är en doseringspump som kombinerar högsta prestanda med användarvänlig design och avancerad styrning. Med sitt breda flödesområde och smarta funktioner är Ds4F utvecklad för att möta de växande kraven inom modern industri, där precision, tillförlitlighet och energieffektivitet är avgörande.

Favoriter Varianter Flöde max Differenstryck Material Pumphus Material Packning Anslutning sugsida Anslutning trycksida Temperaturområde till Lagersaldo
91 l/min
90 mvp
SS 316
PTFE
DN40 PN40
DN25 PN40
120 °C
91 l/min
90 mvp
SS 316
PTFE
DN40 PN40
DN25 PN40
120 °C
150 l/min
100 mvp
SS 316
PTFE
DN40 PN40
DN25 PN40
120 °C
150 l/min
100 mvp
SS 316
PTFE
DN40 PN40
DN25 PN40
120 °C
113 l/min
80 mvp
SS 316
PTFE
DN40 PN40
DN40 PN40
120 °C
113 l/min
80 mvp
SS 316
PTFE
DN40 PN40
DN40 PN40
120 °C
113 l/min
80 mvp
SS 316
PTFE
DN40 PN40
DN40 PN40
120 °C
233 l/min
125 mvp
SS 316
PTFE
DN40 PN40
DN40 PN40
120 °C
233 l/min
125 mvp
SS 316
PTFE
DN40 PN40
DN40 PN40
120 °C
146 l/min
140 mvp
SS 316
PTFE
DN80 PN40
DN40 PN40
120 °C
146 l/min
140 mvp
SS 316
PTFE
DN80 PN40
DN40 PN40
120 °C
216 l/min
180 mvp
SS 316
PTFE
DN80 PN40
DN40 PN40
120 °C
216 l/min
180 mvp
SS 316
PTFE
DN80 PN40
DN40 PN40
120 °C
250 l/min
210 mvp
SS 316
PTFE
DN80 PN40
DN40 PN40
120 °C
250 l/min
210 mvp
SS 316
PTFE
DN80 PN40
DN40 PN40
120 °C
283 l/min
230 mvp
SS 316
PTFE
DN80 PN40
DN40 PN40
120 °C
283 l/min
230 mvp
SS 316
PTFE
DN80 PN40
DN40 PN40
120 °C
383 l/min
280 mvp
SS 316
PTFE
DN80 PN40
DN40 PN40
120 °C
416 l/min
320 mvp
SS 316
PTFE
DN80 PN40
DN40 PN40
120 °C
466 l/min
370 mvp
SS 316
PTFE
DN80 PN40
DN40 PN40
120 °C
500 l/min
450 mvp
SS 316
PTFE
DN80 PN40
DN40 PN40
120 °C

Vald variant

Välj en variant i listan

Kundsupport
Har du frågor eller behöver du hjälp? Kontakta oss så hjälper vi dig! Växel öppen vardagar 08-17, lunchstängt 12-13.
075-242 44 50
Skicka e-post

Kan vi hjälpa dig med något?

Hittar du inte vad du söker eller kan vi hjälpa dig på något vis? Fyll i formuläret nedan så återkommer vi så snart vi kan!

Vänligen inkludera ett telefonnummer om du önskar bli uppringd.

Tack för ditt meddelande!

Tack för att du kontaktar oss på Telfa! Vi återkommer till dig så snart vi kan.

Wooups, något gick fel!

Något verkar ha gått fel. Vänligen kontrollera din information eller försök igen senare.
Behöver du hjälp?
Logo

COOKIEINSTÄLLNINGAR FÖR TELFA.SE

Cookies hjälper oss förbättra din upplevelse hos oss. Så för att kunna analysera trafiken, hantera inloggningsuppgifter, erbjuda dig personlig information och för att grundläggande funktionalitet ska fungera på webbplatsen behöver vi använda oss av lite cookies.

 

Psst! Vi säljer självklart inte vidare information om dig.

NÖDVÄNDIGA COOKIES

Dessa cookies är nödvändiga för att webbplatsen ska fungera och kan inte stängas av i våra system. De används vanligtvis endast som svar på åtgärder som du har gjort i anslutning till en tjänstebegäran, till exempel när du ställer in personliga preferenser, loggar in eller fyller i ett formulär.

ANALYS OCH MÄTNING

Dessa cookies tillåter oss att räkna antal besök och trafikkällor så att vi kan mäta och förbättra vår webbplatsprestanda. De hjälper oss att veta vilka sidor som är mer eller mindre populära och hur besökare navigerar runt på webbplatsen. Informationen som dessa cookies samlar in är aggregerad och därför helt anonym. Om du inte tillåter dessa cookies vet vi inte när du har besökt vår webbplats.

MARKNADSFÖRING

Dessa cookies kan läggas till av våra partners. De kan använda dem för att skapa en profil av dig, baserad på dina intressen, för att visa dig mer relevant information. De sparar ingen personlig information – endast information om din webbläsare och enhet. Om du inte godkänner dessa cookies, kommer du att få en mer allmän och mindre anpassad användarupplevelse.