HYDRA-CELL

G12

Motordriven multimembranpump

Wanner Hydra-Cell är en serie robusta multimembranpumpar speciellt lämpade för höga tryck och svåra pumpmedier. Pumparna är tätningslösa vilket betyder att de inte har någon genomgående axel med tätningar och mediet kommer aldrig i kontakt med hydrauldelen. Membranen är avlastade med jämnt tryck över hela ytan, vilket ger dem mycket lång livslängd. En perfekt pump för aggresiva, slitande och/eller ömtåliga medier.
  • Flöde 2 - 33,4 l/min
  • Tryck max. 103 bar
  • Klarar slitande vätskor
  • Tätningslös och klarar torrkörning
  • Kan sänkas ned i vätskan

Vald variant

Här kan du välja fler varianter pumpar | Telfa AB

Vald variant

Teknisk data

Flöde max 33,4 l/min
Tryck max 103 bar
Systemtryck max 17 bar
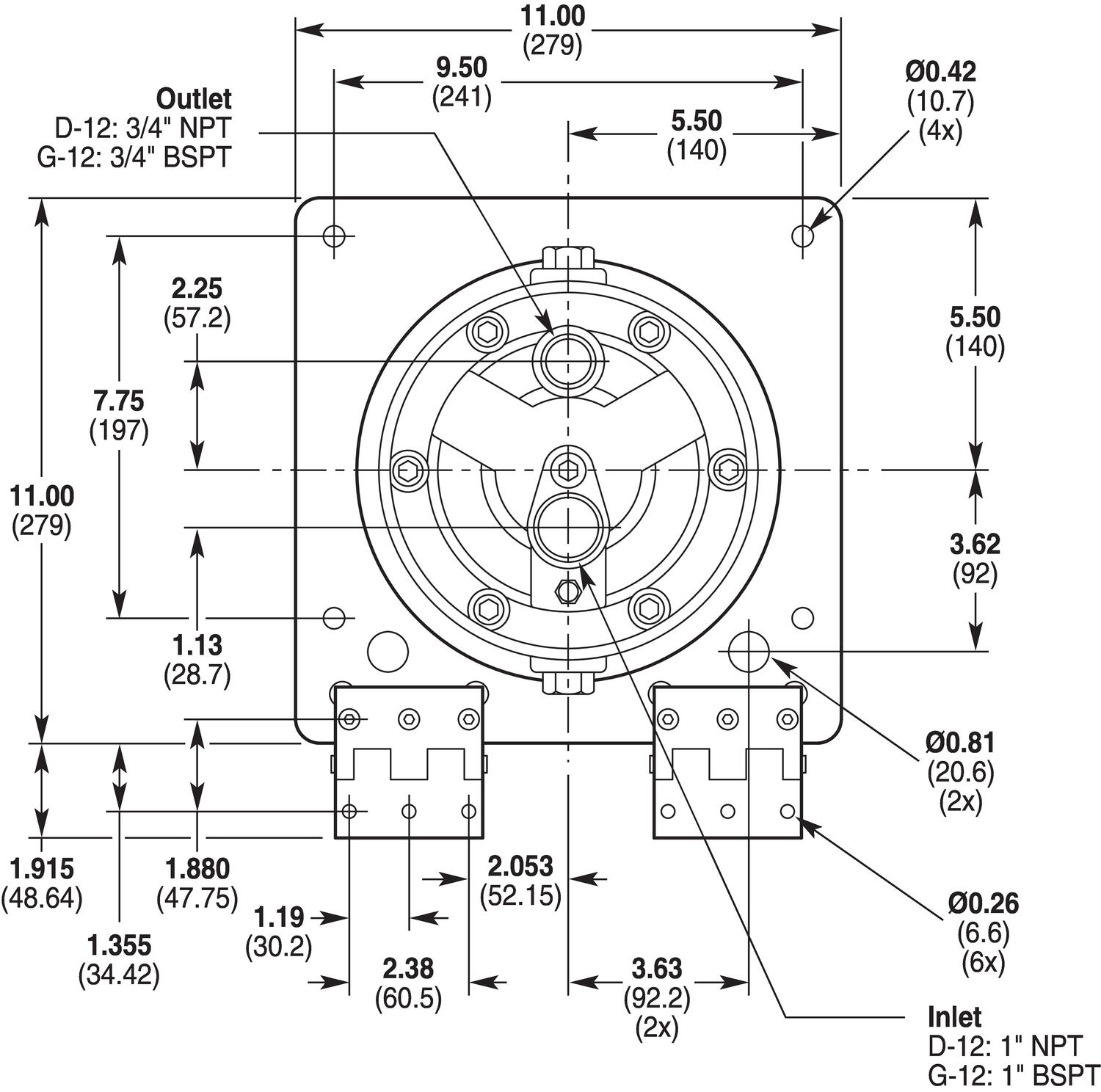
Anslutning inlopp 1" BSPT
Anslutning utlopp 3/4" BSPT
Material Fjäderhållare Celcon
Material Membran Buna-N
Material Pumphus Gjutjärn
Material Ventiler SS 17-4
Material Ventilfjädrar Elgiloy
Material Ventilsäten SS 316L
Axeldimension 7/8" (22,225 mm)
Rotation Valfri
Temperaturområde till 60 °C
Viskositet max 3000 cP
Olja 10W30
Oljevolym Hydrauldel 1,4 l
Particle size Max. 0,5 mm
Vikt 29 kg

Produktinformation

Utförande för vertikalt montage med dränkt pumphuvud, flänsad för IEC 100/112 B5-motor

Wanner HydraCell är en serie mycket robusta membranpumpar speciellt lämpade för höga tryck och svåra pumpmedier, som också kan vara slitande. Pumparna har ingen genomgående axel med tätningar och mediet kommer aldrig i kontakt med mekanismen. Membranen är avlastade med jämnt tryck över hela ytan, vilket ger dem mycket lång livslängd.

 

HydraCell-pumparna som arbetar enligt förträngningsprincipen, är självsugande, så gott som pulsationsfria, torrkörningssäkra och självsugande. De är energisnåla och finns i många olika materialkombinationer. De finns även i ATEX-utförande för explosionsfarlig miljö.

 

Kemisk och petrokemisk industri: Slampump, api-pump, slurrypump, syrapumpar, bioolja, slitande aggressiva kemikalier, beckolja, syror och baser, lösningsmedel, polyuretanplast, lim, slam till filterpressar m.m.

Verkstadsindustri: Skärvätskor, oljor, kylning, rengöring m.m.

Trä-, massa- och pappersindustri: Slampump, slurrypump, syrapumpar, bioolja, slitande aggresiva kemikalier, lim, lack, pappers och massakemikalier, lut, beckolja, återanvänt processvatten, rengöring m.m.

Färgindustri: Färgpump, lack, lösningsmedel, sprayapplicering m.m.

Läkemedelsindustri: Dragétillverkning, syrapumpar, autoklavpump m.m.

Vattenrening: Slampump, slurrypump, syrapumpar, slitande aggressiva kemikalier, polymer, slutna system för biltvättar, membranfiltrering, dosering m.m.

Wanner g10 cut a way

 

Pumparna går att få i många olika material och utföranden, se våra vanligaste modeller nedan.
För komplett beställningsnyckel, se PDF under "Download".

 

 

Teknisk information

Pumphus

SS 316L, Gjutjärn, Mässing

Membran

EPDM, FKM, FFKM, PTFE, NBR, Neoprene, Aflas

O-ringar

EPDM, FKM, FFKM, PTFE, NBR, Neoprene

Ventilsäten

Keramik, Tungstenkarbid, SS 316L, SS 17-4

Ventiler

Keramik, Tungstenkarbid, Nitronic 50, SS 17-4

Fjäder

Elgiloy (överskrider SS 316L)

Fjäderhållare

Celcon, PP, PVDF, SS 17-7, Nylon

Flöde

2 - 30 l/min

Tryck

Max. 69 bar (slaglängd E, S, I), Max. 103 bar (slaglängd X)

Inloppstryck

Max. 17 bar

Temperaturer*

Aflas:            10 till 121°C
Buna-N:       -10 till 121°C
Neoprene:  -10 till 70°C
EPDM:        -10 till 121°C
FKM:            -10 till 121°C

FFKM:         10 till 121°C
PTFE:          -10 till 93°C

Celcon:         -10 till 60°C
PVDF:           -10 till 60°C
Nylon:         -10 till 60°C
PP:              -10 till 60°C
Elgiloy:          -10 till 121°C
Nitronic 50:  -10 till 121°C
Metall:        -10 till 121°C

Partikelstorlek

Max. 0,5 mm

Viskositet

Max. 3000 cP (beroende på installation och varvtal)

ATEX**

II 2G Ex h IIC T4 Gb (max. mediatemp. 90 °C, omgivningstemp - 10 till 40 °C)

II 2D Ex h IIIC T135*C Db (max. mediatemp. 90 °C, omgivningstemp - 10 till 40 °C)

Maximalt effektuttag är 85% av pumpens maxeffekt.

 

II 3G Ex h IIC T4 Gc (max. mediatemp. 90 °C, omgivningstemp - 10 till 40 °C)

II 3D Ex h IIIC T135*C Dc (max. mediatemp. 90 °C, omgivningstemp - 10 till 40 °C)

Maximalt effektuttag är 85% av pumpens maxeffekt.

Anslutningar (In/Ut)

1" BSPT / 3/4" BSPT (NPT eller flänsar på förfrågan)

Passande motor

IEC 100 - 112 B5, NEMA 182/184TC - 213/215TC

Rotationsriktning

Valfri

Axeldimension

7/8" (22,225 mm)

Oljevolym hydrauldel

ca. 1,4 l

Vikt

29 kg

* För applikationer där temperaturen går under 10 eller över 80 °C kontakta oss.

** För applikationer i explosionsfarlig miljö kontakta oss. 

 

Reservdelar för vätskedelen på G12

Reservdelar offereras på begäran.

Nedan ser ni ett urval av de vanligaste reservdelarna.

Reservdelssats innehållande membran och o-ringar

Beställningsnr

Membran

Ventilsäten

Ventiler

Ventilfjädrar

Fjäderhållare

G10D52AXXXX

Aflas

-

-

-

-

G10D52TXXXX

Buna-N-XS

-

-

-

-

G10D52EXXXX

EPDM

-

-

-

-

G10D52GXXXX

Viton-XT

-

-

-

-

G10D52JXXXX

PTFE

-

-

-

-

G10D52KXXXX

FFKM

-

-

-

-


Komplett reservdelssats innehållande membran, o-ringar och kompletta ventiler

Beställningsnr

Membran

Ventilsäten

Ventiler

Ventilfjädrar

Fjäderhållare

G10K52TCCEC

Buna-N-XS

Ceramic

Ceramic

Elgiloy

Celcon

G10K52THFEY

Buna-N-XS

17-4PH ss

17-4PH ss

Elgiloy

Nylon

G10K52GHFEY

Viton-XT

17-4PH ss

17-4PH ss

Elgiloy

Nylon

G10K52THFEC

Buna-N-XS

17-4PH ss

17-4PH ss

Elgiloy

Celcon

 

 

Tillbehör/Reservdelar

Relaterade produkter

Nya Ds4F från Verderflex – En robust och tillförlitlig lösning för krävande branscher.
Produktnytt

Nya Ds4F från Verderflex – En robust och tillförlitlig lösning för krävande branscher.

Nya Verderflex Ds4F är en doseringspump som kombinerar högsta prestanda med användarvänlig design och avancerad styrning. Med sitt breda flödesområde och smarta funktioner är Ds4F utvecklad för att möta de växande kraven inom modern industri, där precision, tillförlitlighet och energieffektivitet är avgörande.

Milton Roy lanserar nya Serie TD hos Telfa
Produktnytt

Lansering av Milton Roy Serie TD – Den mest avancerade doseringspumpen för kemikalier på marknaden

Milton Roy presenterar deras nya banbrytande doseringspump för kemikalier, Serie TD – designad för att möta de mest krävande industriella applikationerna. Med revolutionerande FluxDrive™-teknologi, förbättrade komponenter och integrerade styrsystem, erbjuder Serie TD optimal effektivitet och precision för processkontroll.

Pumpskola

PIUSI dieselpumpar – kvalitet och innovation i varje detalj

I en tid där precision, tillförlitlighet och effektivitet är avgörande inom transport, jordbruk, skog, bygg och industri, står PIUSI som en ledande aktör inom bränslehanteringslösningar. Med ett brett sortiment av tankningspumpar, flödesmätare och tillbehör erbjuder PIUSI produkter som kombinerar hög prestanda med användarvänlig design – perfekta för dig som ställer höga krav på din utrustning.

Telfas kundundersökning 2025
Företagsnytt

Kundundersökning 2025

Vi på Telfa strävar alltid efter att utvecklas och erbjuda den bästa möjliga servicen till våra kunder. För att kunna göra det behöver vi din hjälp!

VICTOR pumps vid tillverkning av ljus
Pumpskola

Victor Pumps | Transport av paraffin vid produktion av ljus

Ljuset har en symbolisk roll i många traditioner och högtider. Victor Pumps innerkugghjulspumpar spelar en avgörande roll i tillverkningen av ljus genom att effektivt transportera paraffin...

Verder dura slangpump
Pumpskola

Verderflex | Dura slangpump

Verderflex Dura slangpumpar är robusta, kompakta och lättunderhållna peristaltiska pumpar för krävande applikationer. Användningsområden inkluderar vattenrening, livsmedels- och dryckesindustrin, kemisk industri, tryck- och förpackningsmaskiner, gruvindustri och bilindustrin. Deras avancerade slangdesign ger hög motståndskraft mot utmattning och optimerar smörjmedlets fördelning, vilket minskar friktion och värmeutveckling.

Favoriter Varianter Flöde max Tryck max Material Pumphus Material Membran Material Ventiler Material Fjäderhållare Varvtal Effekt Montage Lagersaldo
15,4 l/min
32 bar
730 rpm
1,1 kW
Adapter
20,3 l/min
33 bar
950 rpm
1,5 kW
Adapter
15,4 l/min
45 bar
730 rpm
1,5 kW
Adapter
20,3 l/min
51 bar
950 rpm
2,2 kW
Adapter
30,6 l/min
46 bar
1450 rpm
3 kW
Adapter
30,6 l/min
62 bar
1450 rpm
3 kW
Adapter
33,4 l/min
103 bar
Gjutjärn
Buna-N
SS 17-4
Celcon

Vald variant

Välj en variant i listan

Kundsupport
Har du frågor eller behöver du hjälp? Kontakta oss så hjälper vi dig! Växel öppen vardagar 08-17, lunchstängt 12-13.
075-242 44 50
Skicka e-post

Kan vi hjälpa dig med något?

Hittar du inte vad du söker eller kan vi hjälpa dig på något vis? Fyll i formuläret nedan så återkommer vi så snart vi kan!

Vänligen inkludera ett telefonnummer om du önskar bli uppringd.

Tack för ditt meddelande!

Tack för att du kontaktar oss på Telfa! Vi återkommer till dig så snart vi kan.

Wooups, något gick fel!

Något verkar ha gått fel. Vänligen kontrollera din information eller försök igen senare.
Behöver du hjälp?
Logo

COOKIEINSTÄLLNINGAR FÖR TELFA.SE

Cookies hjälper oss förbättra din upplevelse hos oss. Så för att kunna analysera trafiken, hantera inloggningsuppgifter, erbjuda dig personlig information och för att grundläggande funktionalitet ska fungera på webbplatsen behöver vi använda oss av lite cookies.

 

Psst! Vi säljer självklart inte vidare information om dig.

NÖDVÄNDIGA COOKIES

Dessa cookies är nödvändiga för att webbplatsen ska fungera och kan inte stängas av i våra system. De används vanligtvis endast som svar på åtgärder som du har gjort i anslutning till en tjänstebegäran, till exempel när du ställer in personliga preferenser, loggar in eller fyller i ett formulär.

ANALYS OCH MÄTNING

Dessa cookies tillåter oss att räkna antal besök och trafikkällor så att vi kan mäta och förbättra vår webbplatsprestanda. De hjälper oss att veta vilka sidor som är mer eller mindre populära och hur besökare navigerar runt på webbplatsen. Informationen som dessa cookies samlar in är aggregerad och därför helt anonym. Om du inte tillåter dessa cookies vet vi inte när du har besökt vår webbplats.

MARKNADSFÖRING

Dessa cookies kan läggas till av våra partners. De kan använda dem för att skapa en profil av dig, baserad på dina intressen, för att visa dig mer relevant information. De sparar ingen personlig information – endast information om din webbläsare och enhet. Om du inte godkänner dessa cookies, kommer du att få en mer allmän och mindre anpassad användarupplevelse.