GRI

Serie Integrity INTG1

Magnetdriven centrifugalpump

GRI magnetdrivna centrifugalpump typ Integrity är en läckagefri, tätningslös cirkulationspump med borstlös DC-motor för mycket långa driftstider som är utvecklad för OEM-marknadens behov av små, reglerbara cirkulationspumpar. Integrityserien kan reglera flöde och tryck med externa signaler beroende på applikation. Integrityserien har endast en roterande del i form av impellern vilket ger ett kompakt montage och i praktiken inga slitdelar. Den borstlösa motorn ger mycket lång livslängd och den klarar kontinuerlig drift med låg effektförbrukning.
  • Flöde max 7,15 l/min
  • Tryck max 0,39 bar
  • Borstlös motor
  • Tätningslös, endast en rörlig del
  • Kan varvtalsregleras

Vald variant

Här kan du välja fler varianter pumpar | Telfa AB

Vald variant

Teknisk data

Flöde max 9,46 l/min
Mottryck max 0,39 bar
Systemtryck max 3,4 bar
Anslutning 1/2” slangnippel
Material Axel Keramisk
Material Impeller LCP
Material O-ring EPDM
Material Pumphus LCP
Spänning 9-24 V DC
Strömförbrukning 1,5A
Temperaturområde till 95 °C
Vikt 0,36 kg

Pumpvärden

Flödeskurva INTG1

Flödeskurva INTG1

Ritningar och teknisk information

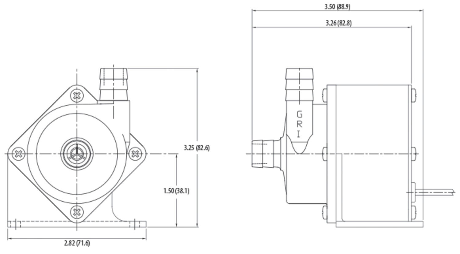
Måttskiss INTG1

Måttskiss INTG1

Produktinformation

GRI magnetdrivna centrifugalpump typ Integrity är en läckagefri, tätningslös cirkulationspump med borstlös DC-motor för mycket långa driftstider som är utvecklad för OEM-marknadens behov av små, reglerbara cirkulationspumpar.
Integrityserien kan reglera flöde och tryck med externa signaler beroende på applikation.

Integrityserien har endast en roterande del i form av impellern vilket ger ett kompakt montage och i praktiken inga slitdelar. Den borstlösa motorn ger mycket lång livslängd och den klarar kontinuerlig drift med mycket låg effektförbrukning.  

 

  • Cirkulationspump
  • Medicinska instrument
  • Kylvattenpump
  • Laserkylning
  • Bränsleceller
  • Solfångare
  • Fordonsmontage
  • Oljepump

 

  

 

Teknisk information

Flöde

Max 7,41 l/min

Mottryck

Max 0,39 bar

Temperaturområde

Från -30 upp till +82 °C

Max strömförbrukning

1,25 A (12 V) 0,51 A (24 V)

Spänning

12 alt 24 BLDC med tillval 0-5 V styrsignal

O-ringar

EPDM eller FKM

Pumphus

PPS (Ryton®)

Impeller

PPS (Ryton®)

Rotorhus

PPS (Ryton®)

Pumpaxel

Keramik

Lager

PPS (Ryton®)

Vikt

0,3 kg

Tillval

Neoprenklädd montagefot

 

 

Motor

Integrerad, borstlös DC-motor

Spänning

12/24 BLDC med 0-5 V styrsignal möjlig (option)

Ström

Ingen strömspik, rampar upp till bestämd hastighet

Max effekt

Begränsat till 18 W för elektronik

Extern styrning

0-5 V styrning för varvtalsreglering

 

Tillbehör/Reservdelar

Relaterade artiklar:

Träffa oss på euro expo industrimässor 2026!
Företagsnytt

Euro Expo 2026

Under 2026 deltar vi på flera av Euro Expos industrimässor – en av Sveriges mest uppskattade mötesplatser för industriell utveckling och innovation. Här samlas leverantörer, experter och beslutsfattare för att utbyta kunskap, visa ny teknik och diskutera framtidens lösningar. För dig som arbetar med produktion, underhåll eller utveckling är mässan ett perfekt tillfälle att upptäcka nya idéer och knyta värdefulla kontakter. Vi kommer att finnas på plats för att prata om smarta pumpval, energieffektivitet och hur rätt teknik kan göra stor skillnad i din verksamhet. Vi ser fram emot att träffa dig, dela erfarenheter och inspirera till nya lösningar!

Telfa ställer ut på Underhållsmässan 26 monter B07:11
Företagsnytt

Vi deltar på Underhållsmässan 2026 – Nordens största mötesplats för industriellt underhåll

Industrin står inför stora utmaningar: ökad digitalisering, krav på energieffektivitet och behovet av att minimera driftstopp. Underhållsmässan är platsen där dessa frågor får svar. Här presenteras den senaste tekniken inom förebyggande underhåll, smarta sensorer, AI-lösningar och energieffektiva komponenter – allt med målet att skapa robusta och hållbara produktionskedjor.

Listing image av Telfas artikel om energieffektivitet
Pumpskola

Vad kostar ineffektivitet? Så sparar du energi med rätt pump

Att välja pump handlar ofta om inköpspris. Men den verkliga kostnaden ligger i driften – framför allt energiförbrukningen. En ineffektiv pump kan bli en dold energislukare som kostar mer än du tror. Genom smart pumpval kan du sänka dina energikostnader, minska produktförluster och samtidigt bidra till en mer hållbar produktion.

Pumpskola

Certifikat och Hygieniska standarder inom Food & Pharma

Inom livsmedels- och läkemedelsindustrin ställs höga krav på hygien, säkerhet och spårbarhet. För att säkerställa att processutrustning uppfyller dessa krav är internationella certifikat och standarder avgörande. När du väljer hygieniska pumpar från oss kan vi leverera komplett dokumentation inklusive relevanta certifikat, vilket ger trygghet i hela kedjan – från produktion till färdig produkt.

Nya Ds4F från Verderflex – En robust och tillförlitlig lösning för krävande branscher.
Produktnytt

Nya Ds4F från Verderflex – En robust och tillförlitlig lösning för krävande branscher.

Nya Verderflex Ds4F är en doseringspump som kombinerar högsta prestanda med användarvänlig design och avancerad styrning. Med sitt breda flödesområde och smarta funktioner är Ds4F utvecklad för att möta de växande kraven inom modern industri, där precision, tillförlitlighet och energieffektivitet är avgörande.

Milton Roy lanserar nya Serie TD hos Telfa
Produktnytt

Lansering av Milton Roy Serie TD – Den mest avancerade doseringspumpen för kemikalier på marknaden

Milton Roy presenterar deras nya banbrytande doseringspump för kemikalier, Serie TD – designad för att möta de mest krävande industriella applikationerna. Med revolutionerande FluxDrive™-teknologi, förbättrade komponenter och integrerade styrsystem, erbjuder Serie TD optimal effektivitet och precision för processkontroll.

Favoriter Varianter Flöde max Mottryck max Material Pumphus Material O-ring Spänning Anslutning Varvtalsreglering Lagersaldo
9,46 l/min
0,39 bar
LCP
EPDM
9-24 V DC
1/2” slangnippel
9,46 l/min
0,39 bar
LCP
FKM
9-24 V DC
1/2” slangnippel
9,46 l/min
0,39 bar
LCP
EPDM
9-24 V DC
3/8” utv gga
9,46 l/min
0,39 bar
LCP
FKM
9-24 V DC
3/8” utv gga
9,46 l/min
0,39 bar
LCP
EPDM
9-24 V DC
1/2” slangnippel
0-5V
9,46 l/min
0,39 bar
LCP
FKM
9-24 V DC
1/2” slangnippel
0-5V
9,46 l/min
0,39 bar
LCP
EPDM
9-24 V DC
3/8” utv gga
0-5V
9,46 l/min
0,39 bar
LCP
FKM
9-24 V DC
3/8” utv gga
0-5V

Vald variant

Välj en variant i listan

Kundsupport
Har du frågor eller behöver du hjälp? Kontakta oss så hjälper vi dig! Växel öppen vardagar 08-17, lunchstängt 12-13.
075-242 44 50
Skicka e-post

Kan vi hjälpa dig med något?

Hittar du inte vad du söker eller kan vi hjälpa dig på något vis? Fyll i formuläret nedan så återkommer vi så snart vi kan!

Vänligen inkludera ett telefonnummer om du önskar bli uppringd.

Tack för ditt meddelande!

Tack för att du kontaktar oss på Telfa! Vi återkommer till dig så snart vi kan.

Wooups, något gick fel!

Något verkar ha gått fel. Vänligen kontrollera din information eller försök igen senare.
Behöver du hjälp?
Logo

COOKIEINSTÄLLNINGAR FÖR TELFA.SE

Cookies hjälper oss förbättra din upplevelse hos oss. Så för att kunna analysera trafiken, hantera inloggningsuppgifter, erbjuda dig personlig information och för att grundläggande funktionalitet ska fungera på webbplatsen behöver vi använda oss av lite cookies.

 

Psst! Vi säljer självklart inte vidare information om dig.

NÖDVÄNDIGA COOKIES

Dessa cookies är nödvändiga för att webbplatsen ska fungera och kan inte stängas av i våra system. De används vanligtvis endast som svar på åtgärder som du har gjort i anslutning till en tjänstebegäran, till exempel när du ställer in personliga preferenser, loggar in eller fyller i ett formulär.

ANALYS OCH MÄTNING

Dessa cookies tillåter oss att räkna antal besök och trafikkällor så att vi kan mäta och förbättra vår webbplatsprestanda. De hjälper oss att veta vilka sidor som är mer eller mindre populära och hur besökare navigerar runt på webbplatsen. Informationen som dessa cookies samlar in är aggregerad och därför helt anonym. Om du inte tillåter dessa cookies vet vi inte när du har besökt vår webbplats.

MARKNADSFÖRING

Dessa cookies kan läggas till av våra partners. De kan använda dem för att skapa en profil av dig, baserad på dina intressen, för att visa dig mer relevant information. De sparar ingen personlig information – endast information om din webbläsare och enhet. Om du inte godkänner dessa cookies, kommer du att få en mer allmän och mindre anpassad användarupplevelse.