GRI's bälgpump kännetecknas av hög kvalitet och används för dosering av olika media där hög noggrannhet med god repeterbarhet är önskvärt.
Bälgpump är en förträngningspump som är avsedd för både aggressiva och icke-aggressiva vätskor.
Bälgarna är tillverkade av en speciellt framtagen typ av PP för lång livslängd.
GRI's Bälgpumpar serie Standard är avsedda för applikationer där man vill ha en pump med bibehållen noggrannhet över hela tryck-/flödesområdet. Pumpens backventiler förhindrar backläckage och motverkar hävert i de fall doseringsstället är lägre än pumpen. Konstruktionen och materialurvalet gör den mycket lämplig som ersättare till t.ex. slangpumpar då repeterbarheten är överlägsen över tid.
Princip:
Pumpen består I princip av en kuggväxelmotor, en bälgmodul och sug-/tryckbackventiler med olika slanganslutningar.
Motorns rotation överförs till en vevstake som är excentriskt monterad på axeln. På denna vevstake monteras en bälg som under en arbetscykel sträcks (sugfasen) och trycks ihop (tryckfasen). Med hjälp av sug- och tryckbackventiler får man en självsugande pump, helt tät bakåt. En arbetscykel är ett varv på motorn.
Exempel på applikationer för OEM-marknaden:
Analysinstrument, framkallningsmaskiner, dosering av disk-/tvättmedel, vattenbehandling, medicinsk utrustning, ytbehandlingskemikalier etc.
Tekniska data
Flöde | Från 3,9 upp till 3 000 ml/min |
Mottryck | Max 3,5 Bar |
Max temperatur | +60 °C (OBS! Minska max mottryck med 50 % vid temp över +49 °C) |
Viskositet | Max 5 000 cSt* |
Anslutningar | PP |
O-ringar | EPT/EPDM eller Viton®/Fluorelastomer |
Bälgar | PP (standardbälg) |
*Sätesventiler kan hantera fina slurrys. Läppventiler rekommenderas för tjockare slurrys eller förorenade vätskor. Slurryliknande media måste spolas ur pumpen innan den stängs av.
Drivenhet:
Pumparna levereras som standard med 115 V AC, 230 V AC, 12 V DC, 24 V DC.
Flödesreglering:
Standardpumparna kan inte justera slaglängd under drift utan enbart när pumpen står stilla.
BEL-O-JUST kan regleras även under drift.
Optimala driftsförhållanden:
Pumparna bör monteras med ventilerna längst upp och ha minst 0,15 m sughöjd samt 0,15 m min tryckhöjd. Om det finns risk för hävert finns det anti-hävertventiler som kan monteras inline för att förhindra överdosering.
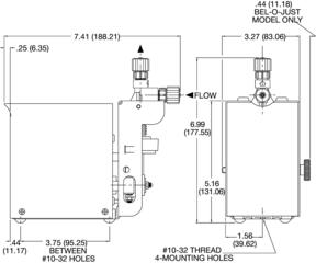
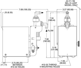
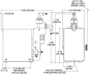
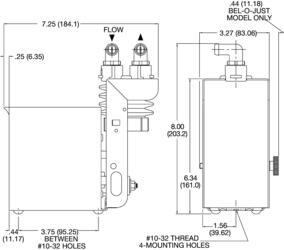
Mått
1/2" 
| 1" 
|
1 ½" 
| 2 ½" 
|
Flödesdiagram
Standard bälgpumpar – flöden
Bälgstorlek | 1/2" | 1" | 1 1/2" | 2 1/2" std | 2 1/2" BOJ |
Max slagvolym (ml) | 0,5 | 5 | 10,5 | 55 | 27,5 |
Max mottryck (bar) | 3,5 | 2,8 | 1,4 | 0,35 | 0,35 |
Max sughöjd torr/våt (m) |
Bälgstorlek | 1/2" | 1" | 1 1/2" | 2 1/2" |
50 % slaglängd (torr) | 0,76 | 0,94 | 1,32 | 2,8 |
100 % slaglängd (torr) | 2,64 | 2,54 | 3,35 | 5,64 |
50 % slaglängd (våt) | 1,78 | 1,91 | 2,92 | 4,65 |
100 % slaglängd (våt) | 5,23 | 4,34 | 6,27 | 8,41 |
OBS! Alla tester utförda med vatten vid rumstemperatur, vid avvikande viskositet eller densitet, vänligen konsultera Telfa.
Beställningsnummer
Urval av standardmodeller
Beställningsnummer | Varvtal @ 60 Hz | Bälgstorlek (Tum) | Spänning/frekvens (V/Hz) | Flöde (ml/min) | Material | Anslutning |
| | | | | | |
| | | | | | |
Urvalsbeskrivning
- Välj bälgstorlek och modell på pump som ligger närmast önskat flöde vid full slagvolym. En bälgpump är som effektivast >50 % av slagvolymen.
- För kontinuerlig drift finns en Heavy Duty-modell som offereras på begäran.
- Välj ventil- och o-ringskombination, slangnippelutförande för respektive bälgmodul.
Tillverkarens urvalsguide hämtas här
Reservdelar
Sätesventilkit - bestående av 2 st ventiler och 2 st o-ringar.
Standardmaterial i ventiler är EPT/EPDM, Viton/Fluorelastomer, Butyl, Kel-F och Silikon.
Bälgstorlek | Material |
| Butyl | EPT/EPDM | Kel-F® | Viton®/Fluorelastomer | Silikon |
1/2" | | 02500-318 | 02500-349 | 02500-317 | 02500-350 |
| | X-002 | X-004 | X-006 | X-008 |
1" | 02500-604 | 02500-605 | 02500-607 | 02500-609 | 02500-610 |
| X-111 | X-112 | X-114 | X-116 | X-118 |
1 1/2" | 02500-604 | 02500-605 | 02500-607 | 02500-609 | 02500-610 |
| X-111 | X-112 | X-114 | X-116 | X-118 |
2 1/2" | 02500-604 | 02500-605 | 02500-607 | 02500-609 | 02500-610 |
| X-121 | X-122 | X-124 | X-126 | X-128 |
Läppventilkit - bestående av 2 st ventiler, 2 st tätningsbrickor, 1 st o-ring och 1 st ventilförlängning.
Standardmaterial i ventiler är EPT/EPDM, Viton/Fluorelastomer, Butyl, Kel-F och Silikon.
Bälgstorlek | Material |
| Butyl | EPT/EPDM | Kel-F® | Viton®/Fluorelastomer | Silikon |
1/2" | | 02500-597 | 02500-599 | 02500-601 | |
| | X-092 | X-094 | X-096 | |
1" | | 02500-322 | 02500-355 | 02500-319 | 02500-324 |
| | X-032 | X-034 | X-036 | X-038 |
1 1/2" | | 02500-322 | 02500-355 | 02500-319 | 02500-324 |
| | X-032 | X-034 | X-036 | X-038 |
2 1/2" | | 02500-322 | 0200-355 | 02500-319 | 02500-324 |
| | X-042 | X-044 | X-046 | X-048 |
Slanganslutningar
T-kod | Artikelnummer kit | Slangdim ID/OD (mm) | Typ anslutning | Bälgstorlek |
T-001 | 02500-312 | 1/8" x 1/4" | Kompression | 1/2" |
T-002 | 02500-635 | 1/4" x 3/8" | Kompression | 1/2" |
T-003 | 02500-352 | 3/8" | Slangnippel | 1", 1 1/2", 2 1/2" |
T-004 | 02500-353 | 1/2" | Slangnippel | 1", 1 1/2", 2 1/2" |
T-005 | 02500-258 | 1/8" gga | Inv NPT | 1", 1 1/2", 2 1/2" |
T-006 | 02500-259 | 1/8" x 1/4" | Kompression | 1", 1 1/2", 2 1/2" |
T-007 | 02500-260 | 1/4" x 3/8" | Kompression | 1", 1 1/2", 2 1/2" |
T-008 | 02500-261 | 3/8" | 90 gr slangnippel | 1", 1 1/2", 2 1/2" |
T-009 | 02500-354 | 1/2" | 90 gr slangnippel | 1", 1 1/2", 2 1/2" |
T-011 | 02500-337 | 1/4" | 90 gr slangnippel | 1", 1 1/2", 2 1/2" |
T-012 | 02500-246 | 4 mm | 90 gr slangnippel | 1", 1 1/2", 2 1/2" |
T-013 | 02500-541 | 4 mm | 90 gr slangnippel | 1/2" |
T-014 | 02500-673 | 1/4" | Slangnippel | 1", 1 1/2", 2 1/2" |
CAD
Vänligen kontakta Telfa för CAD-ritningar.
Download
Urvalsguide |
Pumpmodell | Beskrivning | Filformat |
Bellows-Standard | Urvalsguide | PDF | Hämta |
Datablad |
Pumpmodell | Beskrivning | Filformat |
Bellows-Standard | Leverantörsdatablad | PDF | Hämta |