JUNG PROCESS SYSTEMS

HYGHSPIN

Dubbelskruvpump - hygienisk

HYGHSPIN är ursprungsmodellen i den internationellt beprövade HYGHSPIN serien, pumpar i rostfritt stål. Pumparna är lämplig för användning vid fritt flödande produkter, i princip oavsett konsistens (vattenhalt, högvisköst, partikelrikt fibröst eller med gasinblandning). Dessutom går det att använda dubbelskruvpumpen även som CIP-pump. Dubbelskruvpumparna har tydliga fördelar framför andra pumpprinciper som centrifugal-, lobrotor- och kugghjulspumpar, särskilt när det gäller flexibilitet och pulsationsfritt flöde. Applikationer är vanliga inom mejeri, kosmetika, läkemedel och kemisk industri.
  • Flödesområde upp till 300 m3/h
  • Tryck upp till 35 bar
  • Varsam axiell produkthantering
  • Stor flexibilitet i varvtal och viskositet
  • 3A och EHEDG godkända

Vald variant

Här kan du välja fler varianter pumpar | Telfa AB

Vald variant

Teknisk data

Flöde max 20 m³/h
Tryck max 20 bar
Material Elastomerer HNBR (Nitrilgummi)
Material Pumphus Rostfritt stål 316L
Material Skruv Rostfritt stål 316L
Material Tätningar SiC/SiC
Temperaturområde från -10 °C
Temperaturområde till 180 °C
Partikelstorlek max 16 mm
Vikt 37 kg

Produktinformation

HYGHSPIN är ursprungsmodellen i den internationellt beprövade HYGHSPIN serien, pumpar i rostfritt stål.

Dubbelskruvpumpen är lämplig för användning vid fritt flödande produkter, i princip oavsett konsistens (vattenhalt, högvisköst, partikelrikt fibröst eller med gasinblandning).

Den servicevänliga skruvpumpen har mycket bra sugförmåga och hanterar varsamt alla fritt flytande produkter i volymer upp till 300 m³/h.

Pumpens stora flexibilitet i varvtal gör det möjligt att minska investeringskostnaderna kring CIP-system då t.ex. ingen bypasskrets med rör och ventiler behöver installeras. Dessutom går det att använda dubbelskruvpumpen även som CIP-pump.

 

Dubbelskruvpumparna har tydliga fördelar framför andra pumpprinciper som centrifugal-, lobrotor- och kugghjulspumpar, särskilt när det gäller flexibilitet och pulsationsfritt flöde.

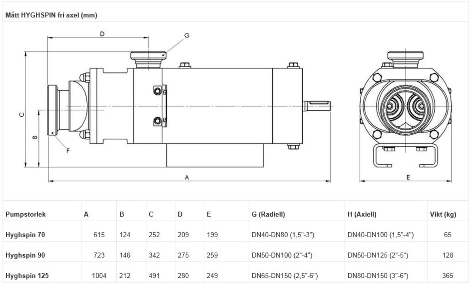
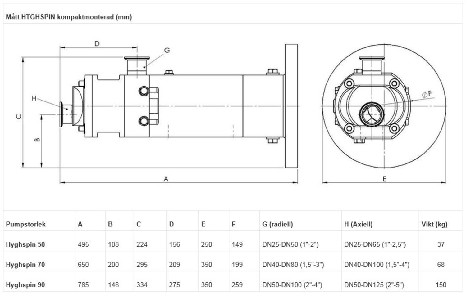
HYGHSPIN finns i kompaktmonterat utförande i storlekar 50, 70 och 90 samt med fri axel i storlekar 70, 90 och 125. Pumparna kan ge tryck upp till 35 bar beroende på storlek och utförande.

Typiska applikationsexempel:

Livsmedelsproduktion
t.ex. mejeriindustri, choklad och konfektyr, ketchup och såser, barnmat, färs, korvsmet, glass, deg, sylt
Dryckestillverkning
t.ex. bryggerier, malt, fruktjuicer, sirap och koncentrat

Läkemedelsindustri
t.ex. WFI

Kosmetisk industri
t.ex. krämer, lotions, tvål, hudvårdsprodukter

Kemisk industri
t.ex. lim, lösningsmedel, färg, lack, sprit

Samt i många andra branscher där vätskor med varierande viskositeter behöver förflyttas
 

Teknisk information

Kapacitet:

Upp till 300m³/h

Tryckområde:

Upp till 35 bar beroende på storlek och utförande

Sugförmåga:

NPSHr ner till 0,5 m

Viskositet:

0,5-1 000 000 cSt

Temperaturområde produkt:

-10 till +180 °C (högre temperaturer på förfrågan)

Diskning:

Full CIP med samma pump

Sterilisering:

Ånga eller hett vatten

Material i kontakt med produkt:

1.4404 (AISI 316L) 1.4539 (AISI 904L) samt 1.4462 (AISI 318LN Duplex) 

Olika Elastomerer:

HNBR - FDA livsmedelsklassad (standard)

EPDM - FDA livsmedelsklassad

FKM Viton - FDA livsmedelsklassad

FFKM Kalrez - FDA livsmedelsklassad

Olika tätningsalternativ:

SiC/SiC enkel mekanisk tätning

TC/TC enkel mekanisk tätning

SiC/SiC dubbel mekanisk tätning

TC/TC dubbel mekanisk tätning

Läpptätning, dubbel läpptätning

Klassning:

EHEDG, 3A, ATEX

 

Tillbehör/Reservdelar

Relaterade produkter

Relaterade artiklar:

Träffa oss på euro expo industrimässor 2026!
Företagsnytt

Euro Expo 2026

Under 2026 deltar vi på flera av Euro Expos industrimässor – en av Sveriges mest uppskattade mötesplatser för industriell utveckling och innovation. Här samlas leverantörer, experter och beslutsfattare för att utbyta kunskap, visa ny teknik och diskutera framtidens lösningar. För dig som arbetar med produktion, underhåll eller utveckling är mässan ett perfekt tillfälle att upptäcka nya idéer och knyta värdefulla kontakter. Vi kommer att finnas på plats för att prata om smarta pumpval, energieffektivitet och hur rätt teknik kan göra stor skillnad i din verksamhet. Vi ser fram emot att träffa dig, dela erfarenheter och inspirera till nya lösningar!

Telfa ställer ut på Underhållsmässan 26 monter B07:11
Företagsnytt

Vi deltar på Underhållsmässan 2026 – Nordens största mötesplats för industriellt underhåll

Industrin står inför stora utmaningar: ökad digitalisering, krav på energieffektivitet och behovet av att minimera driftstopp. Underhållsmässan är platsen där dessa frågor får svar. Här presenteras den senaste tekniken inom förebyggande underhåll, smarta sensorer, AI-lösningar och energieffektiva komponenter – allt med målet att skapa robusta och hållbara produktionskedjor.

Listing image av Telfas artikel om energieffektivitet
Pumpskola

Vad kostar ineffektivitet? Så sparar du energi med rätt pump

Att välja pump handlar ofta om inköpspris. Men den verkliga kostnaden ligger i driften – framför allt energiförbrukningen. En ineffektiv pump kan bli en dold energislukare som kostar mer än du tror. Genom smart pumpval kan du sänka dina energikostnader, minska produktförluster och samtidigt bidra till en mer hållbar produktion.

Pumpskola

Certifikat och Hygieniska standarder inom Food & Pharma

Inom livsmedels- och läkemedelsindustrin ställs höga krav på hygien, säkerhet och spårbarhet. För att säkerställa att processutrustning uppfyller dessa krav är internationella certifikat och standarder avgörande. När du väljer hygieniska pumpar från oss kan vi leverera komplett dokumentation inklusive relevanta certifikat, vilket ger trygghet i hela kedjan – från produktion till färdig produkt.

Nya Ds4F från Verderflex – En robust och tillförlitlig lösning för krävande branscher.
Produktnytt

Nya Ds4F från Verderflex – En robust och tillförlitlig lösning för krävande branscher.

Nya Verderflex Ds4F är en doseringspump som kombinerar högsta prestanda med användarvänlig design och avancerad styrning. Med sitt breda flödesområde och smarta funktioner är Ds4F utvecklad för att möta de växande kraven inom modern industri, där precision, tillförlitlighet och energieffektivitet är avgörande.

Milton Roy lanserar nya Serie TD hos Telfa
Produktnytt

Lansering av Milton Roy Serie TD – Den mest avancerade doseringspumpen för kemikalier på marknaden

Milton Roy presenterar deras nya banbrytande doseringspump för kemikalier, Serie TD – designad för att möta de mest krävande industriella applikationerna. Med revolutionerande FluxDrive™-teknologi, förbättrade komponenter och integrerade styrsystem, erbjuder Serie TD optimal effektivitet och precision för processkontroll.

Favoriter Varianter Flöde max Tryck max Material Pumphus Material Skruv Material Elastomerer Material Tätningar Lagersaldo
20 m³/h
20 bar
Rostfritt stål 316L
Rostfritt stål 316L
HNBR (Nitrilgummi)
SiC/SiC
40 m³/h
25 bar
Rostfritt stål 316L
Rostfritt stål 316L
HNBR (Nitrilgummi)
SiC/SiC
100 m³/h
30 bar
Rostfritt stål 316L
Rostfritt stål 316L
HNBR (Nitrilgummi)
SiC/SiC
180 m³/h
20 bar
Rostfritt stål 316L
Rostfritt stål 316L
HNBR (Nitrilgummi)
SiC/SiC
300 m³/h
35 bar
Rostfritt stål 316L
Rostfritt stål 316L
HNBR (Nitrilgummi)
SiC/SiC

Vald variant

Välj en variant i listan

Kundsupport
Har du frågor eller behöver du hjälp? Kontakta oss så hjälper vi dig! Växel öppen vardagar 08-17, lunchstängt 12-13.
075-242 44 50
Skicka e-post

Kan vi hjälpa dig med något?

Hittar du inte vad du söker eller kan vi hjälpa dig på något vis? Fyll i formuläret nedan så återkommer vi så snart vi kan!

Vänligen inkludera ett telefonnummer om du önskar bli uppringd.

Tack för ditt meddelande!

Tack för att du kontaktar oss på Telfa! Vi återkommer till dig så snart vi kan.

Wooups, något gick fel!

Något verkar ha gått fel. Vänligen kontrollera din information eller försök igen senare.
Behöver du hjälp?
Logo

COOKIEINSTÄLLNINGAR FÖR TELFA.SE

Cookies hjälper oss förbättra din upplevelse hos oss. Så för att kunna analysera trafiken, hantera inloggningsuppgifter, erbjuda dig personlig information och för att grundläggande funktionalitet ska fungera på webbplatsen behöver vi använda oss av lite cookies.

 

Psst! Vi säljer självklart inte vidare information om dig.

NÖDVÄNDIGA COOKIES

Dessa cookies är nödvändiga för att webbplatsen ska fungera och kan inte stängas av i våra system. De används vanligtvis endast som svar på åtgärder som du har gjort i anslutning till en tjänstebegäran, till exempel när du ställer in personliga preferenser, loggar in eller fyller i ett formulär.

ANALYS OCH MÄTNING

Dessa cookies tillåter oss att räkna antal besök och trafikkällor så att vi kan mäta och förbättra vår webbplatsprestanda. De hjälper oss att veta vilka sidor som är mer eller mindre populära och hur besökare navigerar runt på webbplatsen. Informationen som dessa cookies samlar in är aggregerad och därför helt anonym. Om du inte tillåter dessa cookies vet vi inte när du har besökt vår webbplats.

MARKNADSFÖRING

Dessa cookies kan läggas till av våra partners. De kan använda dem för att skapa en profil av dig, baserad på dina intressen, för att visa dig mer relevant information. De sparar ingen personlig information – endast information om din webbläsare och enhet. Om du inte godkänner dessa cookies, kommer du att få en mer allmän och mindre anpassad användarupplevelse.