HYDRA-CELL

P200

Doseringspump

Wanner Hydra-Cell är en serie robusta multimembranpumpar speciellt lämpade för dosering med hög noggrannhet. Pumparna är tätningslösa vilket betyder att de inte har någon genomgående axel med tätningar och mediet kommer aldrig i kontakt med hydrauldelen. Membranen är avlastade med jämnt tryck över hela ytan, vilket ger dem mycket lång livslängd.
  • 1 - 300 l/h
  • Tryck max. 70 bar
  • Plast eller metallutförande
  • Tätningslös och klarar torrkörning
  • Finns i ATEX utförande

Vald variant

Här kan du välja fler varianter pumpar | Telfa AB

Vald variant

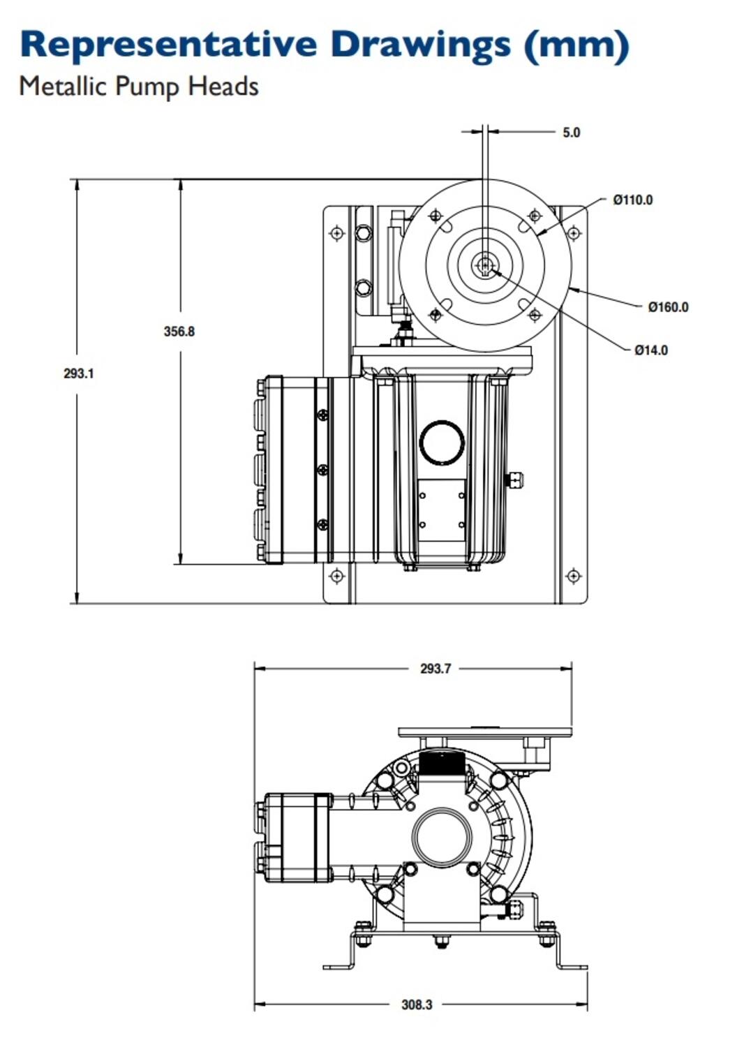
Teknisk data

Flöde max 76 l/h
Tryck max 70 bar
Systemtryck max 17 bar
Anslutning inlopp 1/2" BSPT
Anslutning utlopp 3/8" BSPT
Material Bottenplatta Rostfritt stål
Material Fjäderhållare Hastelloy C
Material Membran EPDM
Material Pumphus SS 316
Material Ventiler Nitronic 50
Material Ventilfjädrar Elgiloy
Material Ventilsäten SS 316
Axeldimension Hålaxel 14 mm
Rotation Valfri
Utväxling 10:1 - IEC 71-B5
Temperaturområde till 120 °C
Viskositet max 1000 cP
Olja Livsmedelsolja H1 (K)
Oljevolym Hydrauldel 0,95 l
1098_Particle size (mm) Max. 0,2mm
Vikt 19 kg

Produktinformation

Wanner HydraCell är en serie mycket robusta membranpumpar speciellt lämpade för dosering även vid höga tryck och svåra pumpmedier, som också kan vara slitande.

Pumparna har ingen genomgående axel med tätningar och mediet kommer aldrig i kontakt med mekanismen.

Membranen är avlastade med jämnt tryck över hela ytan, vilket ger dem mycket lång livslängd.

HydraCell-pumparna som arbetar enligt förträngningsprincipen, är självsugande, energisnåla och torrkörningssäkra.

Hydra-Cell pumparna möter de flesta och överträffar flera av kraven i standarden för doseringspumpar API 675.

De finns i många olika materialkombinationer och går även att få i ATEX-utförande för explosionsfarlig miljö.

 

Wanner g10 cut a way

 

 

 

 

installationsexempel_hydracell_p100.tif

 

Exempel på installation.

 

 

 

 

Teknisk information

Pumphus

Mässing, 316L, Hastelloy C, Polypropylen, Kynar

Membran O-ringar

Aflas, EPDM, FKM, PTFE, Neoprene, Buna-N

Ventilsäten

316L, Hastelloy C, Keramik

Ventiler

Nitronic 50, Hastelloy C, Keramik

Fjäder

Elgiloy, Hastelloy C

Fjäderhållare

Polypropylen, PVDF, Hastelloy C

Flöde

1 - 300 l/h

Tryck metallutförande

Max. 70 bar

Tryck plastutförande

Polypropylen Max. 17 bar, Kynar Max 24 bar

Inloppstryck

Max. 17 bar

Temperatur*

Max. +120 °C (Beroende på materialval m.m.)*

Partikelstorlek

Max. 0,2 mm

Viskositet**

Max. 1000 cp (Beroende på installation och varvtal)**

ATEX***

EEx II 2G k ia IIB T4 (max. mediatemp. 90 °C, omgivningstemp - 10 till 40 °C)

EEx II 3G k IIC T4 (max. mediatemp. 90 °C, omgivningstemp - 10 till 40 °C)

Kel-Cell

Nej

Anslutningar (In/Ut)

1/2" BSPT / 3/8" BSPT (NPT eller flänsar på förfrågan)

Rotationsriktning

Valfri

Oljevolym hydrauldel

ca. 1 l (Oljenivån skall vara ca. 1 cm under helt fylld hydrauldel)

Vikt metallutförande

17,7 kg

Vikt plastutförande

13,6 kg

* För applikationer där temperaturen går under +10 eller över +80°C kontakta oss.

** Vid viskositeter över 500 cp kontakta oss.

*** För applikationer i explosionsfarlig miljö kontakta oss.

Tillbehör/Reservdelar

Relaterade produkter

Relaterade artiklar:

Telfa ställer ut på Underhållsmässan 26 monter B07:11
Företagsnytt

Vi deltar på Underhållsmässan 2026 – Nordens största mötesplats för industriellt underhåll

Industrin står inför stora utmaningar: ökad digitalisering, krav på energieffektivitet och behovet av att minimera driftstopp. Underhållsmässan är platsen där dessa frågor får svar. Här presenteras den senaste tekniken inom förebyggande underhåll, smarta sensorer, AI-lösningar och energieffektiva komponenter – allt med målet att skapa robusta och hållbara produktionskedjor.

Träffa oss på euro expo industrimässor 2026!
Företagsnytt

Euro Expo 2026

Under 2026 deltar vi på flera av Euro Expos industrimässor – en av Sveriges mest uppskattade mötesplatser för industriell utveckling och innovation. Här samlas leverantörer, experter och beslutsfattare för att utbyta kunskap, visa ny teknik och diskutera framtidens lösningar. För dig som arbetar med produktion, underhåll eller utveckling är mässan ett perfekt tillfälle att upptäcka nya idéer och knyta värdefulla kontakter. Vi kommer att finnas på plats för att prata om smarta pumpval, energieffektivitet och hur rätt teknik kan göra stor skillnad i din verksamhet. Vi ser fram emot att träffa dig, dela erfarenheter och inspirera till nya lösningar!

Listing image av Telfas artikel om energieffektivitet
Pumpskola

Vad kostar ineffektivitet? Så sparar du energi med rätt pump

Att välja pump handlar ofta om inköpspris. Men den verkliga kostnaden ligger i driften – framför allt energiförbrukningen. En ineffektiv pump kan bli en dold energislukare som kostar mer än du tror. Genom smart pumpval kan du sänka dina energikostnader, minska produktförluster och samtidigt bidra till en mer hållbar produktion.

Pumpskola

Certifikat och Hygieniska standarder inom Food & Pharma

Inom livsmedels- och läkemedelsindustrin ställs höga krav på hygien, säkerhet och spårbarhet. För att säkerställa att processutrustning uppfyller dessa krav är internationella certifikat och standarder avgörande. När du väljer hygieniska pumpar från oss kan vi leverera komplett dokumentation inklusive relevanta certifikat, vilket ger trygghet i hela kedjan – från produktion till färdig produkt.

Nya Ds4F från Verderflex – En robust och tillförlitlig lösning för krävande branscher.
Produktnytt

Nya Ds4F från Verderflex – En robust och tillförlitlig lösning för krävande branscher.

Nya Verderflex Ds4F är en doseringspump som kombinerar högsta prestanda med användarvänlig design och avancerad styrning. Med sitt breda flödesområde och smarta funktioner är Ds4F utvecklad för att möta de växande kraven inom modern industri, där precision, tillförlitlighet och energieffektivitet är avgörande.

Milton Roy lanserar nya Serie TD hos Telfa
Produktnytt

Lansering av Milton Roy Serie TD – Den mest avancerade doseringspumpen för kemikalier på marknaden

Milton Roy presenterar deras nya banbrytande doseringspump för kemikalier, Serie TD – designad för att möta de mest krävande industriella applikationerna. Med revolutionerande FluxDrive™-teknologi, förbättrade komponenter och integrerade styrsystem, erbjuder Serie TD optimal effektivitet och precision för processkontroll.

Favoriter Varianter Flöde max Tryck max Material Pumphus Material Membran Material Ventiler Material Ventilsäten Utväxling Lagersaldo
76 l/h
70 bar
SS 316
EPDM
Nitronic 50
SS 316
10:1 - IEC 71-B5
50 l/h
70 bar
SS 316
EPDM
Nitronic 50
SS 316
15:1 - IEC 71-B5
76 l/h
70 bar
SS 316
EPDM
Nitronic 50
SS 316
10:1 - IEC 80-B5
306 l/h
70 bar
SS 316
Viton
Nitronic 50
SS 316
5:1 - IEC 80-B5
204 l/h
70 bar
SS 316
FKM
Nitronic 50
SS 316
7.5:1 - IEC 80-B5

Vald variant

Välj en variant i listan

Kundsupport
Har du frågor eller behöver du hjälp? Kontakta oss så hjälper vi dig! Växel öppen vardagar 08-17, lunchstängt 12-13.
075-242 44 50
Skicka e-post

Kan vi hjälpa dig med något?

Hittar du inte vad du söker eller kan vi hjälpa dig på något vis? Fyll i formuläret nedan så återkommer vi så snart vi kan!

Vänligen inkludera ett telefonnummer om du önskar bli uppringd.

Tack för ditt meddelande!

Tack för att du kontaktar oss på Telfa! Vi återkommer till dig så snart vi kan.

Wooups, något gick fel!

Något verkar ha gått fel. Vänligen kontrollera din information eller försök igen senare.
Behöver du hjälp?
Logo

COOKIEINSTÄLLNINGAR FÖR TELFA.SE

Cookies hjälper oss förbättra din upplevelse hos oss. Så för att kunna analysera trafiken, hantera inloggningsuppgifter, erbjuda dig personlig information och för att grundläggande funktionalitet ska fungera på webbplatsen behöver vi använda oss av lite cookies.

 

Psst! Vi säljer självklart inte vidare information om dig.

NÖDVÄNDIGA COOKIES

Dessa cookies är nödvändiga för att webbplatsen ska fungera och kan inte stängas av i våra system. De används vanligtvis endast som svar på åtgärder som du har gjort i anslutning till en tjänstebegäran, till exempel när du ställer in personliga preferenser, loggar in eller fyller i ett formulär.

ANALYS OCH MÄTNING

Dessa cookies tillåter oss att räkna antal besök och trafikkällor så att vi kan mäta och förbättra vår webbplatsprestanda. De hjälper oss att veta vilka sidor som är mer eller mindre populära och hur besökare navigerar runt på webbplatsen. Informationen som dessa cookies samlar in är aggregerad och därför helt anonym. Om du inte tillåter dessa cookies vet vi inte när du har besökt vår webbplats.

MARKNADSFÖRING

Dessa cookies kan läggas till av våra partners. De kan använda dem för att skapa en profil av dig, baserad på dina intressen, för att visa dig mer relevant information. De sparar ingen personlig information – endast information om din webbläsare och enhet. Om du inte godkänner dessa cookies, kommer du att få en mer allmän och mindre anpassad användarupplevelse.