HYDRA-CELL

Q330 högtryck

Motordriven multimembranpump

Wanner Hydra-Cell är en serie robusta multimembranpumpar speciellt lämpade för höga tryck och svåra pumpmedier. Pumparna är tätningslösa vilket betyder att de inte har någon genomgående axel med tätningar och mediet kommer aldrig i kontakt med hydrauldelen. Membranen är avlastade med jämnt tryck över hela ytan, vilket ger dem mycket lång livslängd. En perfekt pump för aggresiva, slitande och/eller ömtåliga medier.
  • Flöde 30 - 446 l/min
  • Tryck max. 10 - 310 bar
  • Klarar slitande vätskor
  • Tätningslös och klarar torrkörning

Vald variant

Här kan du välja fler varianter pumpar | Telfa AB

Vald variant

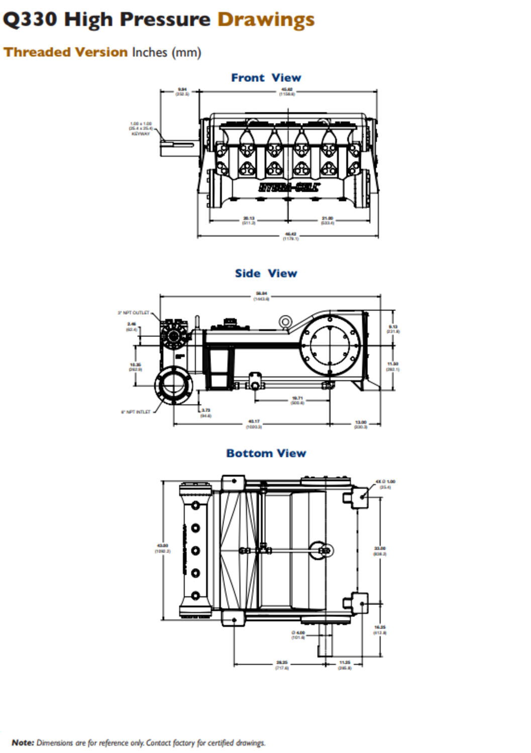
Teknisk data

Flöde max 446 l/min
Tryck max 276 bar
Anslutning inlopp 6"
Anslutning utlopp 3"
Rotation Valfri
Varvtal 400 rpm
Temperaturområde till 82,2 °C
Oljevolym Hydrauldel 104,1 l
Vikt 2268 kg

Pumpvärden

Ritningar och teknisk information

Produktinformation

Wanner Hydra-Cell är en serie mycket robusta membranpumpar speciellt lämpade för höga tryck och svåra pumpmedier, som också kan vara slitande. Pumparna har ingen genomgående axel med tätningar och mediet kommer aldrig i kontakt med mekanismen. Membranen är avlastade med jämnt tryck över hela ytan, vilket ger dem mycket lång livslängd.

 

Hydra-Cell pumparna som arbetar enligt förträngningsprincipen, är självsugande, så gott som pulsationsfria, torrkörningssäkra och självsugande. Pumparna är energisnåla och finns i många olika materialkombinationer för att möta era behov. För explosionsfarliga miljöer där det finns ATEX-krav så finns pumparna i utförande som möter detta behov.

 

Har ni problem med slitage av era befintliga kolvpumpar?

Hydra-Cell pumpar kan vara lösningen som sänker dina underhållskostnader och ökar driftsäkerheten. De har motsvarande prestanda utan genomgående axlar med tätningsproblematik eller foder och kolvar som slits. Detta innebär färre oplanerade stopp, billigare underhåll och färre reservdelar på lager samt en tryggare och säkrare drift.

Teknisk information

Pumphus

NAB (Nickel Aluminium Brons)

Membran

FKM, Buna-N (NBR)

O-ringar

FKM, Buna-N (NBR)

Ventilsäten

SS 17-4, Nitronic 50, Hastelloy C

Ventiler

SS 17-4, Nitronic 50, Hastelloy C

Fjäder

Elgiloy (överskrider SS 316L), Hastelloy C

Fjäderhållare

Hastelloy C

Flöde

Slaglängd P 10 – 446 l/min

Slaglängd Q 10 – 393 l/min

Utloppstryck

Slaglängd P max. 276 bar

Slaglängd Q max. 310 bar

Temperatur*

4 - 82 °C (Standard)

Inloppstryck

Max. 34 bar

Partikelstorlek

Max. 0,8 mm

API 674

Slaglängd P 40 – 400 rpm

Slaglängd Q 40 – 400 rpm

Anslutning sugsida

6" ANSI 300 flange, 6" NPT, 6" svetsfläns

Anslutning trycksida

3" ANSI 2500 flange, 3" NPT, 3" svetsfläns

Rotationsriktning

Valfri

Axeldimension

4" (101,6 mm)

Oljevolym hydrauldel

104.1 l

Vikt

2 268 kg

* För applikationer utanför detta temperaturområde kontakta oss.

Tillbehör/Reservdelar

Relaterade artiklar:

Serie HX
Pumpskola

Serie HX – Hygieniska excenterskruvpumpar med inmatningstråg

Nova Rotors serie HX är en avancerad serie excenterskruvpumpar med integrerat inmatningstråg och matarskruv, designade för att hantera de allra tuffaste medieutmaningarna i hygieniskt kritiska processer. Dessa pumpar kombinerar robust konstruktion med förstklassig hygienisk design och ger en pålitlig lösning för industriella applikationer där traditionella pumpar inte räcker till.

Telfa ställer ut på Underhållsmässan 26 monter B07:11
Företagsnytt

Vi deltar på Underhållsmässan 2026 – Nordens största mötesplats för industriellt underhåll

Industrin står inför stora utmaningar: ökad digitalisering, krav på energieffektivitet och behovet av att minimera driftstopp. Underhållsmässan är platsen där dessa frågor får svar. Här presenteras den senaste tekniken inom förebyggande underhåll, smarta sensorer, AI-lösningar och energieffektiva komponenter – allt med målet att skapa robusta och hållbara produktionskedjor.

Träffa oss på euro expo industrimässor 2026!
Företagsnytt

Euro Expo 2026

Under 2026 deltar vi på flera av Euro Expos industrimässor – en av Sveriges mest uppskattade mötesplatser för industriell utveckling och innovation. Här samlas leverantörer, experter och beslutsfattare för att utbyta kunskap, visa ny teknik och diskutera framtidens lösningar. För dig som arbetar med produktion, underhåll eller utveckling är mässan ett perfekt tillfälle att upptäcka nya idéer och knyta värdefulla kontakter. Vi kommer att finnas på plats för att prata om smarta pumpval, energieffektivitet och hur rätt teknik kan göra stor skillnad i din verksamhet. Vi ser fram emot att träffa dig, dela erfarenheter och inspirera till nya lösningar!

Listing image av Telfas artikel om energieffektivitet
Pumpskola

Vad kostar ineffektivitet? Så sparar du energi med rätt pump

Att välja pump handlar ofta om inköpspris. Men den verkliga kostnaden ligger i driften – framför allt energiförbrukningen. En ineffektiv pump kan bli en dold energislukare som kostar mer än du tror. Genom smart pumpval kan du sänka dina energikostnader, minska produktförluster och samtidigt bidra till en mer hållbar produktion.

Pumpskola

Certifikat och Hygieniska standarder inom Food & Pharma

Inom livsmedels- och läkemedelsindustrin ställs höga krav på hygien, säkerhet och spårbarhet. För att säkerställa att processutrustning uppfyller dessa krav är internationella certifikat och standarder avgörande. När du väljer hygieniska pumpar från oss kan vi leverera komplett dokumentation inklusive relevanta certifikat, vilket ger trygghet i hela kedjan – från produktion till färdig produkt.

Nya Ds4F från Verderflex – En robust och tillförlitlig lösning för krävande branscher.
Produktnytt

Nya Ds4F från Verderflex – En robust och tillförlitlig lösning för krävande branscher.

Nya Verderflex Ds4F är en doseringspump som kombinerar högsta prestanda med användarvänlig design och avancerad styrning. Med sitt breda flödesområde och smarta funktioner är Ds4F utvecklad för att möta de växande kraven inom modern industri, där precision, tillförlitlighet och energieffektivitet är avgörande.

Favoriter Varianter Flöde max Tryck max Varvtal Lagersaldo
446 l/min
276 bar
400 rpm
310 bar
400 rpm

Vald variant

Välj en variant i listan

Kundsupport
Har du frågor eller behöver du hjälp? Kontakta oss så hjälper vi dig! Växel öppen vardagar 08-17, lunchstängt 12-13.
075-242 44 50
Skicka e-post

Kan vi hjälpa dig med något?

Hittar du inte vad du söker eller kan vi hjälpa dig på något vis? Fyll i formuläret nedan så återkommer vi så snart vi kan!

Vänligen inkludera ett telefonnummer om du önskar bli uppringd.

Tack för ditt meddelande!

Tack för att du kontaktar oss på Telfa! Vi återkommer till dig så snart vi kan.

Wooups, något gick fel!

Något verkar ha gått fel. Vänligen kontrollera din information eller försök igen senare.
Behöver du hjälp?
Logo

COOKIEINSTÄLLNINGAR FÖR TELFA.SE

Cookies hjälper oss förbättra din upplevelse hos oss. Så för att kunna analysera trafiken, hantera inloggningsuppgifter, erbjuda dig personlig information och för att grundläggande funktionalitet ska fungera på webbplatsen behöver vi använda oss av lite cookies.

 

Psst! Vi säljer självklart inte vidare information om dig.

NÖDVÄNDIGA COOKIES

Dessa cookies är nödvändiga för att webbplatsen ska fungera och kan inte stängas av i våra system. De används vanligtvis endast som svar på åtgärder som du har gjort i anslutning till en tjänstebegäran, till exempel när du ställer in personliga preferenser, loggar in eller fyller i ett formulär.

ANALYS OCH MÄTNING

Dessa cookies tillåter oss att räkna antal besök och trafikkällor så att vi kan mäta och förbättra vår webbplatsprestanda. De hjälper oss att veta vilka sidor som är mer eller mindre populära och hur besökare navigerar runt på webbplatsen. Informationen som dessa cookies samlar in är aggregerad och därför helt anonym. Om du inte tillåter dessa cookies vet vi inte när du har besökt vår webbplats.

MARKNADSFÖRING

Dessa cookies kan läggas till av våra partners. De kan använda dem för att skapa en profil av dig, baserad på dina intressen, för att visa dig mer relevant information. De sparar ingen personlig information – endast information om din webbläsare och enhet. Om du inte godkänner dessa cookies, kommer du att få en mer allmän och mindre anpassad användarupplevelse.